Hereunder you find a glossary in english, german and dutch.

Multiplex levelling
|
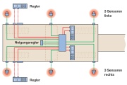
Additional Levelling system to minimize irregularities in the direction of travel of the cold milling machine (also called “Big Ski”). Several sensors scan the reference plane on one side or both sides of the machine. An optimized reference level results from calculating the mean value over a longer section of road. This enables any irregularities to be greatly reduced rather than being copied.
|